密封方式:
密封范圍:
產品分類:氣動元件
產品描述:PXG塑料五通Y型萬向快插式氣管接頭,優選高強度工程塑料材質為主體,不易變形耐磨損,···
PXG塑料五通Y型萬向快插式氣管接頭,優選高強度工程塑料材質為主體,不易變形耐磨損,使用壽命長。不銹鋼卡簧可反復插拔不卡頓,抓取力強不脫扣,密封性能優秀安全可靠不跑氣。
PXG塑料五通Y型萬向快插式氣管接頭的技術參數:
| ★ 品牌:Isaiah/以賽亞 |
|
| ★ 使用流體:空氣,真空 | |
| ★ 工作壓力:0~1.0MPa(150psi) | |
| ★ 負壓:-100Kpa(-29.5in·Hg) | |
| ★ 耐壓:1.5MPa | |
| ★ 顏色:灰色/黑色 | |
| ★ 主體材質:高強度工程塑料 | |
| ★ 工作溫度:-20至70°C(-4至158°F) | |
| ★ 適用軟管:PU管和尼龍管 |

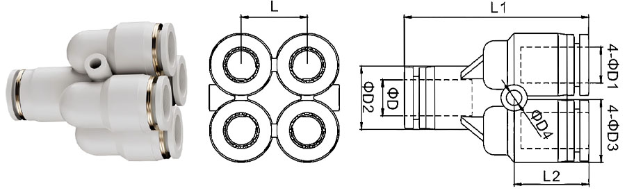
PXG塑料五通Y型萬向快插式氣管接頭的規格型號表:
| 型號 | ¢D | ¢D1 | ¢D2 | ¢D3 | ¢D4 | L | L1 | L2 |
| PXG04 | 4 | 4 | 11.3 | 11.3 | 3.2 | 11 | 39 | 15 |
| PXG06 | 6 | 4 | 13.3 | 11.3 | 3.2 | 11 | 36.5 | 15 |
| PXG06-04 | 6 | 6 | 13.3 | 13.3 | 3.2 | 13 | 43 | 15.5 |
| PXG08 | 8 | 8 | 14.8 | 14.8 | 3.2 | 15 | 41 | 16.5 |
| PXG08-04 | 4 | 14.8 | 11.3 | 3.2 | 11 | 38.5 | 15 | |
| PXG08-06 | 6 | 14.8 | 13.3 | 3.2 | 13 | 40 | 15.5 |